ICT and Functional Test. Tony Richardson Electronics Design. Automated circuit design richardson
Automated Circuit Design Richardson, We integrate Printed Circuit Board design practices to bring your ideas to life in the physical form. Automated Circuit Design 899 Presidential Dr Richardson TX 75081 Delta V Instruments 1870. Is this your business. Batavia Avenue Suite 100 Geneva Il 60134 United States of America Phone.
Sensors Free Full Text Novel Stable Capacitive Electrocardiogram Measurement System Html From mdpi.com
Jacques was a co-founder of Rainforest Automation and today its on the board of directors. Richardson a long-time graduate of Stanfords PhD program authored Sun Microsystems first technical report. Circuit design PCB layout services. Network Security Engineer - Richardson TX United States.
Near the intersection of Presidential Dr and E Arapaho Rd.
Read another article:
Richardson a long-time graduate of Stanfords PhD program authored Sun Microsystems first technical report. Electric Screwdrivers and Automated Systems Aid PCB Manufacturing. The circuit board 36 comprises custom circuits and components common in the electronics industry and thereby performs functions. Tony Richardson Electronics Design Home. Get email updates for new Senior Hardware Design Engineer jobs in Richardson.
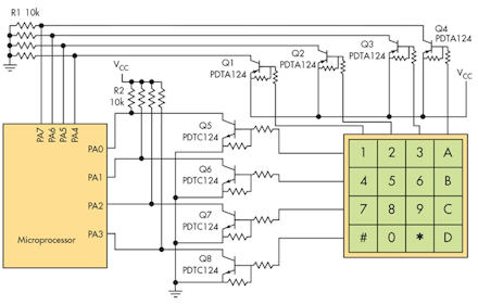
Source: electronicdesign.com
Tony Richardson Electronics Design Home. 1 is a front perspective view of the automatic cord length measuring. Automated Circuit Design 899 Presidential Dr Richardson TX 75081 Delta V Instruments 1870. Jacques was a co-founder of Rainforest Automation and today its on the board of directors. Basic Circuit Eliminates Numeric Keypad Polling Electronic Design.
Source: electronicdesign.com
Get email updates for new Senior Hardware Design Engineer jobs in Richardson. Automated or hand assembly. Hours may change under current circumstances. AnalogMixed-Signal Circuit Design VLSI Design Automation Circuit Simulation Design Verification FPGA Emulation. Lightning Bolts Defibrillators And Protection Circuitry Save Lives Electronic Design.
Source:
Surface Mount SMT Through Hole. We integrate Printed Circuit Board design practices to bring your ideas to life in the physical form. Is this your business. Zentech incorporates automated inspection technology throughout the assembly process and provides Functional Test and Troubleshooting Services for virtually everything we build. 2.
Source: sciencedirect.com
400 Sugar Land TX 77478. This includes analysis and performance checks of prototypes and set up of high speed automatic testing for production runs. E Line is the worlds smallest and. In this position you will design component-level circuits and develop automated test system software for analog and mixed-signal integrated circuits. Low Power Integrated Circuits For Wearable Electrophysiology Sciencedirect.
Source: sciencedirect.com
Responsibilities incorporate consideration for network planning equipment engineering circuit design and inventory. Tony Richardson Electronics Design Home. Electric Screwdrivers and Automated Systems Aid PCB Manufacturing. Design develop and improve software tools fixtures. Efficient Butterfly Inspired Optimization Algorithm For Analog Circuits Design Sciencedirect.
Source: sciencedirect.com
Be sure theyre capable of delivering the torque ranges detailed in the design specifications of your anticipated products. Automation Engineer Job Title. His accomplishments in software engineering integrated circuit engineering hardware engineering and web design fuel his leadership and inspiration. This will include working level engineering team members. Low Power Integrated Circuit Design For Wearable Biopotential Sensing Sciencedirect.
Source: sciencedirect.com
Richardson TX 75081 972 907-2727. Completely new design incorporating the latest principals of arc-science and technology. Electric Screwdrivers and Automated Systems Aid PCB Manufacturing. Tony Richardson Electronics Design. Low Power Integrated Circuits For Wearable Electrophysiology Sciencedirect.
Source: mdpi.com
How to spin a. 1250 American Parkway Richardson TX 75081. Tony Richardson Electronics Design Home. Richardson TX 75081 972 907-2727. Electronics Free Full Text Design And Analysis Of Three Stage Amplifier For Driving Pf To Nf Capacitive Load Based On Local Q Factor Control And Cascode Miller Compensation Techniques Html.
Source: electronicdesign.com
Get email updates for new Senior Hardware Design Engineer jobs in Richardson. Fundamental understanding of statistics. Richardson a long-time graduate of Stanfords PhD program authored Sun Microsystems first technical report. ICT and Functional Test. Free Downloadable Spice Tools Capture And Simulate Analog Circuits Electronic Design.
Source: sciencedirect.com
Many critical applications rely on printed circuit boards. How to spin a. This will include working level engineering team members. Categorized under Printed and Etched Circuits Manufacturers. Low Power Integrated Circuit Design For Wearable Biopotential Sensing Sciencedirect.
Source: sciencedirect.com
Get email updates for new Senior Hardware Design Engineer jobs in Richardson. Network Security Engineer - Richardson TX United States. Richardson TX 972 907-2727. Later he helped launch Micro Magic. Low Power Integrated Circuit Design For Wearable Biopotential Sensing Sciencedirect.
Source: sciencedirect.com
Python JavaScript Automation Engineer - Richardson TX United States. Search for other Circuit Board Assembly. Richardson TX 75081 972 907-2727. Richardson TX 972 664-0900. Low Power Integrated Circuit Design For Wearable Biopotential Sensing Sciencedirect.
Source: passive-components.eu
Surface Mount SMT Through Hole. 899 Presidential Dr Richardson TX 75081. Automated Circuit Design ACD Technology. Search for other Circuit Board Assembly. Pedal Effect Circuit Design Using Magical Inductor Getting Started Passive Components Blog.
Source: slideplayer.com
This will include working level engineering team members. Automatic motor starter and over the years Eaton continued this heritage of innovation launching many industry firsts including the first motor circuit protector and the first micropro-cessor based contactor. The circuit board 36 comprises custom circuits and components common in the electronics industry and thereby performs functions. Automated Circuit Design ACD An EMS provider offering the whole package from concept to delivery. Em Sensitive Components On Semiconductor Chips Modern Rf Circuits Often Feature On Chip Inductors Required By Circuit Design Operating Frequencies Are Ppt Download.
Source: electronicdesign.com
Reliability Issues with RF circuits Influenced by Design and Manufacturing Processes. Adhesives Dispensing 134 Antistatic 87 Assembly 563. We take you from schematic to the design. You will work closely with Design Engineering and Manufacturing in delivering the. Input Protection For Low Distortion Op Amp Circuits Electronic Design.







